|
Тема 27. Використання мікросхем ЦАП І АЦП
27.1. Загальні поняття.
Як вже наголошувалося в першому розділі, цифро-аналогові перетворювачі (ЦАП, DAC - Digital-to-Analog Converter) і аналого-цифрові перетворювачі (АЦП, ADC - Analog-to-Digital Converter) головним чином застосовуються для сполучення цифрових пристроїв і систем із зовнішніми аналоговими сигналами, з реальним світом. При цьому АЦП перетворить аналогові сигнали у вхідні цифрові сигнали, що поступають на цифрові пристрої для подальшої обробки або зберігання, а ЦАП перетворить вихідні цифрові сигнали цифрових пристроїв в аналогові сигнали.
ЦАП і АЦП застосовуються у вимірювальній техніці (цифрові осцилографи, вольтметри, генератори сигналів і т. д.), в побутовій апаратурі (телевізори, музичні центри, автомобільна електроніка і т. д.), в комп'ютерній техніці (ввід і вивід звуку в комп'ютерах, відеомонітори, принтери і т. д.), в медичній техніці, в пристроях радіолокацій, в телефонії і в багатьох інших областях. При цьому вживання ЦАП і АЦП постійно розширяється у міру переходу від аналогових пристроїв до цифрових пристроїв.
Як ЦАП і АЦП звичайно застосовуються спеціалізовані мікросхеми, що випускаються багатьма вітчизняними і зарубіжними фірмами.
Зразу ж треба відзначити, що для грамотного і професійного використовування мікросхем ЦАП і АЦП зовсім не достатньо знання цифрової схемотехніки. Ці мікросхеми відносяться до аналогово-цифрових, тому вони вимагають також знання аналогової схемотехніки, істотно відмінною від цифрової. Практичне вживання ЦАП і АЦП вимагає розрахунку аналогових ланцюгів, обліку численних погрішностей перетворення (як статичних, так і динамічних), знання характеристик і особливостей аналогових мікросхем (в першу чергу операційних підсилювачів) і багато чого іншого, що далеко виходить за рамки цієї книги. Існує обширна література, спеціально присвячена саме питанням вживання ЦАП і АЦП. Тому в даному розділі ми не говоритимемо про специфіку вибору і принципи включення конкретних мікросхем ЦАП і АЦП, ми розглядатимемо тільки основні особливості методів з'єднання ЦАП і АЦП з цифровими вузлами. Нас в першу чергу цікавитиме організація цифрових вузлів, призначених для з'єднання з ЦАП і АЦП.
27.2. Застосування ЦАП
В загальному випадку мікросхему ЦАП можна представити у вигляді блоку (малюнок 27.1), що має декілька цифрових входів і один аналоговий вхід, а також аналоговий вихід.

Малюнок 27.1. Мікросхема ЦАП.
На цифрові входи ЦАП подається n-разрядный код N, на аналоговий вхід - опорна напруга Uon (інше поширене позначення - Uref) - Вихідним сигналом є напруга Uвих (інше позначення - Uo) або струм Івих (інше позначення - Іо). При цьому вихідний струм або вихідна напруга пропорційні вхідному коду і опорній напрузі. Для деяких мікросхем опорна напруга повинна мати строго заданий рівень, для інших допускається міняти його значення в широких межах, у тому числі і змінювати його полярність (позитивну на негативну і навпаки). ЦАП з великим діапазоном зміни опорної напруги називається помножуючим ЦАП, оскільки його можна легко використовувати для множення вхідного коду на будь-яку опорну напругу.
Окрім інформаційних сигналів мікросхеми ЦАП вимагають також підключення одного або двох джерел живлення і загального дроту. Звичайно цифрові входи ЦАП забезпечують сумісність із стандартними виходами мікросхем ТТЛ.
У разі, коли ЦАП має струмовий вихід, його вихідний струм звичайно перетвориться у вихідну напругу за допомогою зовнішнього операційного підсилювача і вбудованого в ЦАП резистора Roc, один з виводів якого виведений на зовнішній вивід мікросхеми (малюнок 27.2). Тому, якщо не обумовлене інше, ми надалі вважатимемо, що вихідний сигнал ЦАП - напруга Uо.

Малюнок 27.2. Перетворення вихідного струму ЦАП у вихідну напругу.
Суть перетворення вхідного цифрового коду у вихідний аналоговий сигнал досить проста. Вона полягає в підсумовуванні декількох струмів (по числу розрядів вхідного коду), кожний наступний з яких удвічі більший попереднього. Для отримання цих струмів використовуються або транзисторні джерела струму або резистивні матриці, комутовані транзисторними ключами.
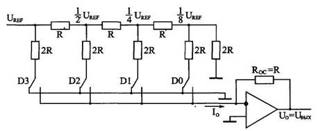
Як приклад на малюнку 27.3 показана схема реалізації 4-розрядного (п = 4) цифро-аналогового перетворення на основі резистивної матриці R-2R і ключів (в реальності використовуються ключі на основі транзисторів). Правому положенню ключа відповідає одиниця в даному розряді вхідного коду N (розряди D0...D3). Операційний підсилювач може бути як вбудованим (у разі ЦАП з виходом по напрузі), так і зовнішнім (у разі ЦАП з виходом по струму).
Першим (найлівіший на схемі) ключем комутується струм величиною Uref/2R, другим ключем - струм Uref/4R, третім ключем - струм Uref/8R, четвертим ключем - струм Uref/16R. Toбто струми, комутовані сусідніми ключами, розрізняються удвічі, як і вага розрядів двійкового коду. Струми, комутовані всіма ключами, підсумовуються і перетворюються у вихідну напругу за допомогою операційного підсилювача з опором Roc = R в ланцюзі негативного зворотного зв'язку.
При правому положенні кожного ключа (одиниця у відповідному розряді вхідного коду ЦАП) струм, комутований цим ключем, поступає на підсумовування. При лівому положенні ключа (нуль у відповідному розряді вхідного коду ЦАП) струм, комутований цим ключем, не поступає на підсумовування.

Малюнок 27.3. 4-розрядне цифро-аналогове перетворення.
Сумарний струм Іо від всіх ключів створює на виході операційного підсилювача напругу Uo = ІоRoc = IoR- To є внесок першого ключа (старшого розряду коду) у вихідну напругу складає Uref/2, другого - Uref/4, третього - Uref/8, четвертого - Uref/16. Таким чином, при вхідному коді N = 0000 вихідна напруга схеми буде нульовою, а при вхідному коді N = 1111 воно буде рівне -15Uref/16.
В загальному випадку вихідна напруга ЦАП при Roc = R буде пов'язане з вхідним кодом N і опорною напругою Uref простою формулою:
Uвих=- N* Uref*2- п
де п - кількість розрядів вхідного коду. Знак мінус виходить через інверсію сигналу операційним підсилювачем. Цей зв'язок ілюструє також таблиця27.1.
Деякі мікросхеми ЦАП передбачають можливість роботи в біполярному режимі, при якому вихідна напруга змінюється не від нуля до Uref, а від -Uref до +Uref. При цьому вихідний сигнал ЦАП Uвих помножиться на 2 і зсовується на величину Uref. Зв'язок між вхідним кодом N і вихідною напругою Uвux буде наступним:
Uвих=Uref(1-N*21- п )
Цю ситуацію ілюструє таблиця 27.2. Таке біполярне перетворення при нагоді зміни знака опорної напруги називається також чотирьохквадрантним множенням (тобто і опорна напруга, і вихідна напруга можуть бути в даному випадку як позитивними, так і негативними).

Мікросхеми ЦАП, що є на ринку, розрізняються кількістю розрядів (від 8 до 24), величиною затримки перетворення (від одиниць наносекунд до одиниць мікросекунд), допустимою величиною опорної напруги (звичайно - одиниці вольт), величинами погрішностей перетворення і іншими параметрами. Розрізняються вони також технологією виготовлення і особливостями внутрішньої структури, що нерідко накладає обмеження на їх використовування. Тому вибирати мікросхему ЦАП для конкретного вживання необхідно з використанням докладної довідкової інформації, що надається фірмою-виготовлювачем. Ми ж говоритимемо тільки про загальні принципи включення ЦАП в цифрові схеми без урахування їх власних особливостей.
Іноді необхідно зменшити кількість розрядів ЦАП. Для цього треба подати сигнали логічного нуля на потрібне число молодших розрядів ЦАП (але ніяк не старших розрядів). На малюнку 27.4 показано, як з 10-розрядного ЦАП можна зробити 8-розрядний ЦАП, подавши нулі на два молодші розряди. Збільшення кількості розрядів ЦАП є набагато більш складною задачею, що вимагає побудови складних аналогових схем, тому воно зустрічається досить рідко, значно простіше підібрати мікросхему з потрібним або з більшим, ніж потрібно, кількістю розрядів.

Малюнок 27.4. Зменшення розрядності ЦАП.
Основне вживання мікросхем ЦАП полягає в отриманні аналогового сигналу з послідовності цифрових кодів (малюнок 27.5). Як правило, коди подаються на входи ЦАП через паралельний регістр, що дозволяє забезпечити одночасність зміни всіх розрядів вхідного коду ЦАП. При неодночасній зміні розрядів вхідного коду на виході ЦАП з'являються великі короткі імпульси напруги, рівні яких не відповідають жодному з кодів.

Малюнок 27.5. Перетворення послідовності кодів у вихідну напругу.
Проте навіть при одночасній зміні всіх розрядів вхідного коду ЦАП рівень напруги, відповідний поданому коду, встановлюється не відразу, а за час встановлення ЦАП tyст, що пов'язане з неідеальністю внутрішніх елементів ЦАП. Вихідний струм ЦАП, як правило, встановлюється значно швидше за вихідну напругу, оскільки він не залежить від інерційності операційного підсилювача. Зрозуміло, що умова правильної роботи ЦАП полягає в тому, щоб тривалість збереження вхідного коду була більше, ніж час встановлення ЦАП tyст, інакше вихідний сигнал не встигне прийняти значення, відповідне вхідному коду.
Якщо подавати коди на вхід ЦАП рідко, то приведена на малюнку 27.5 схема може використовуватися, наприклад, в керованому джерелі живлення, вихідна напруга якого задається вхідним кодом. Правда, при цьому необхідно ще забезпечити великий вихідний струм джерела живлення, застосувавши зовнішній підсилювач струму.
Якщо ж подавати коди на вхід ЦАП з високою частотою, то можна одержати генератор (він же синтезатор) аналогових сигналів довільної форми. В цьому випадку коди, що поступають на ЦАП, називають кодами вибірок (тобто миттєвих значень) аналогового сигналу, що генерується.
В найпростішому випадку як джерело вхідних кодів ЦАП можна використовувати звичайний двійковий лічильник (малюнок 27.6). Вихідна напруга ЦАП зростатиме при цьому на величину 2-пUref з кожним тактовим імпульсом, формуючи пилкоподібні вихідні сигнали амплітудою Uref Тривалість кожної сходинки рівна періоду тактового генератора Т, а період всього вихідного сигналу рівний 2пТ. Кількість сходинок в періоді вихідного сигналу рівна 2п. Якщо в даній схемі використовувати синхронні лічильники з синхронним перенесенням, то вхідний регістр ЦАП не потрібен, оскільки всі розряди лічильника перемикаються одночасно. Якщо ж використовуються асинхронні лічильники або синхронні лічильники з асинхронним перенесенням, то вхідний регістр ЦАП необхідний.

Малюнок 27.6. Генератор пилкоподібного аналогового сигналу
Якщо ж треба формувати аналогові сигнали довільної форми (синусоїдальні, шумові, трикутні, імпульсні і т.д.), то як джерело кодів, що поступають на ЦАП, необхідно використовувати пам'ять, що працює в режимі читання (малюнок 27.7).

Малюнок 27.7. Генерація сигналів довільної форми.
Якщо пам'ять постійна, то набір форм сигналів, що генеруються, задається раз і назавжди. Якщо ж пам'ять оперативна, то будується однонаправлений інформаційний буфер з періодичним режимом роботи, що дозволить записувати в пам'ять коди для генерації самих різних сигналів. В обох випадках вхідний регістр ЦАП необхідний, інформація в нього записується стробом читання з пам'яті.
Як і у попередньому випадку, вихідний сигнал ЦАП складатиметься з сходинок, висота яких кратна 2-пUref . Амплітуда вихідного сигналу не перевищує Uref Якщо адреси пам'яті перебираються лічильником, то період вихідного аналогового сигналу рівний 2mT, де Т - період тактового сигналу читання з пам'яті -Чт., a m - кількість адресних розрядів пам'яті.
Якщо треба обчислити коди вибірок для генерації якогось періодичного сигналу, то необхідно його період розділити на 2m частин і обчислити відповідні 2m значень цього сигналу Uі. Потім треба перерахувати значення сигналу в коди по формулі:
Nі = 2nUі/A,
де А - амплітуда сигналу,
і взяти найближче ціле значення коду. Нульове значення сигналу дасть при цьому нульовий код 000...000, максимальне значення сигналу (рівне амплітуді А) дасть максимальний код 111...111. В результаті подачі цих кодів на ЦАП з періодом Т генеруватиметься аналоговий сигнал необхідної форми з амплітудою, рівною Uref, і з періодом Твих = 2mТ. Приклад такого обчислення проілюстрований малюнком 27.8.

Малюнок 27.8. Обчислення кодів вибірок періодичного сигналу.
Перетворення цифрових кодів в аналоговий сигнал - це не єдине вживання мікросхем ЦАП. Вони можуть також використовуватися для керованої обробки аналогових сигналів, наприклад для посилення і ослаблення аналогових сигналів в задане число раз. Для цього краще всього підходять помножуючі ЦАП, які допускають зміну рівня опорної напруги в широких межах, у тому числі і із зміною його знака. Таких мікросхем ЦАП випускається зараз достатньо багато з різною швидкодією і з різною кількістю розрядів вхідного коду.
Сама найпростіша схема - це цифровий аттенюатор (ослаблювач) аналогового сигналу (малюнок 27.9), часто вживаний для регулювання амплітуди вихідного сигналу генератора на основі ЦАП.

Малюнок 27.9. Аттенюатор аналогового сигналу на ЦАП
Схема практично нічим не відрізняється від схеми на малюнку 27.5. Але є дві важливі відмінності: замість постійної опорної напруги подається змінний аналоговий сигнал, а ЦАП повинен бути обов'язково помножуючим. Вихідний сигнал пов'язаний з вхідним простою формулою:
Uвиx = -Uвx*N*2-п
тобто вихідний сигнал пропорційний вхідному (з інверсією), а коефіцієнт пропорційності визначається вхідним цифровим кодом N. Коефіцієнт пропорційності змінюється в даному випадку від нуля і майже до одиниці з кроком, рівним 2-п.
Вхідний регістр ЦАП в даному випадку також необхідний, оскільки при неодночасному перемиканні розрядів вхідного коду на вихідний сигнал ЦАП можуть накладатися короткі імпульси значної амплітуди. Вимоги до швидкодії ЦАП (до величини його часу встановлення) в даному включенні не дуже високі, оскільки амплітуду вихідного сигналу звичайно вимагається міняти нечасто. А частота вхідного аналогового сигналу може бути досить великою, вона ніяк не зв'язана з часом встановлення ЦАП.
Існує також схема включення ЦАП, яку можна використовувати як керований підсилювач аналогового сигналу з коефіцієнтом підсилення, що задається вхідним кодом N, (малюнок 27.10).

Малюнок 27.10. Керований підсилювач вхідного сигналу.
В цьому випадку вихідний струм ЦАП рівний величині Uвx/Roc, а оскільки як опорна напруга використовується вихідна напруга, то виходить, що вихідна напруга пов'язана з вхідною формулою:
Uвиx = -Uвx*2п /N
тобто коефіцієнт пропорційності між вихідним і вхідним напругами обернено пропорційний коду N. Код N може мінятися в цьому випадку від 1 до (2п- 1), що відповідає коефіцієнту підсилення від приблизно одиниці до 2п. Наприклад, при 10-розрядному ЦАП коефіцієнт підсилення схеми може досягати 1024.
Як і у попередньому випадку, швидкість перемикання ЦАП не дуже важлива, оскільки коефіцієнт підсилення звичайно не вимагається перемикати дуже часто. На схемі для простоти не показаний вхідний регістр ЦАП, який знову ж таки необхідний, щоб забезпечити одночасність перемикання всіх розрядів вхідного коду.
Використовуючи послідовне включення схем (малюнок 27.9 і малюнок 27.10), можна забезпечити приведення до стандартного рівня вхідної напруги, змінної в дуже широких межах (малюнок 27.11). Така задача часто зустрічається в аналого-цифрових системах. Коефіцієнт передачі всієї схеми буде рівний відношенню вхідних кодів обох ЦАП N/M і може бути встановлений з високою точністю як в діапазоні від 0 до 1 (аттенюатор), так і в діапазоні від 1 до 2П (підсилювач). На схемі не показані вхідні регістри обох ЦАП, але вони також потрібні.

Малюнок 27.11. Послідовне включення аттенюатора і підсилювача.
Нарешті, остання схема із застосуванням ЦАП, яку ми розглянемо, - це схема зсуву аналогового сигналу на величину, що задається вхідним цифровим кодом. Зсув є, по суті, складанням аналогового сигналу з постійною напругою. Така задача досить часто зустрічається в аналого-цифрових системах.

Малюнок 27.12. Схема керованого зсуву аналогового сигналу.
Схема зсуву (малюнок 27.12) включає перетворювач цифрового коду у вихідну напругу і аналоговий суматор на операційному підсилювачі. Величина напруги зсуву вхідного сигналу буде рівна Uref * 2-п • N. Оскільки застосовуються два інвертуючих операційних підсилювача, інверсії вхідного сигналу на виході в даному випадку не буде. Якщо потрібен як позитивний, так і негативний зсув, то необхідно застосовувати ЦАП з біполярним вихідним сигналом.
27.3. Використання АЦП
Мікросхеми АЦП виконують функцію, прямо протилежну функції ЦАП - перетворять вхідний аналоговий сигнал в послідовність цифрових кодів. В загальному випадку мікросхему АЦП можна представити у вигляді блоку, що має один аналоговий вхід, один або два входи для подачі опорної (зразкового) напруги, а також цифрові виходи для видачі коду, відповідного поточному значенню аналогового сигналу (малюнок 27.13).

Малюнок 27.13. Мікросхема АЦП.
Часто мікросхема АЦП має також входи для подачі тактового сигналу CLK, сигналу дозволу роботи CS і вихід для видачі сигналу RDY, вказуючого на готовність вихідного цифрового коду. На мікросхему подається одна або дві живлячі напруги. В цілому мікросхеми АЦП складніші, ніж мікросхеми ЦАП, їх різноманітність помітно більша, і тому сформулювати для них загальні принципи використання складніше.
Опорна напруга АЦП задає діапазон вхідної напруги, в якій проводиться перетворення. Вона може бути постійною або ж допускати зміну в деяких межах. Іноді передбачається подача на АЦП двох опорних напруг з різними знаками, тоді АЦП здатний працювати як з позитивними, так і з негативними вхідними напругами.
Вихідний цифровий код N (n-розрядний) однозначно відповідає рівню вхідної напруги. Код може приймати 2п значень, тобто АЦП може розрізняти 2п рівнів вхідної напруги. Кількість розрядів вихідного коду п є найважливішою характеристикою АЦП. У момент готовності вихідного коду видається сигнал закінчення перетворення RDY, по якому зовнішній пристрій може читати код N.
Управляється робота АЦП тактовим сигналом CLK, який задає частоту перетворення, тобто частоту видачі вихідних кодів. Гранична тактова частота - другий найважливіший параметр АЦП. В деяких мікросхемах є вбудований генератор тактових сигналів, тому до їх виводів підключається кварцовий генератор або конденсатор, задаючий частоту перетворення. Сигнал CS дозволяє роботу мікросхеми.
Випускається безліч найрізноманітніших мікросхем АЦП, що розрізняються швидкістю роботи (частота перетворення від сотень кілогерців до сотень мегагерц), розрядністю (від 6 до 24), допустимими діапазонами вхідного сигналу, величинами погрішностей, рівнями живлячих напруг, методами видачі вихідного коду (паралельний або послідовний), іншими параметрами. Звичайно мікросхеми з великою кількістю розрядів мають невисоку швидкодію, а самі швидкодійні мікросхеми мають невелике число розрядів. Область вживання будь-якої мікросхеми АЦП багато в чому визначається використаним в ній принципом перетворення, тому необхідно знати особливості цих принципів. Для вибору і використовування АЦП необхідно користуватися докладними довідковими даними від фірми-виробника.

Малюнок 27.14. Компаратор напруги.
Як базовий елемент будь-кого АЦП використовується компаратор напруги (малюнок 27.14), який порівнює дві вхідні аналогові напруги і залежно від результату порівняння видає вихідний цифровий сигнал нуль або одиницю. Компаратор працює з великим діапазоном вхідних напруг і має високу швидкодію (затримка порядку одиниць наносекунд).
Існує два основні принципи побудови АЦП: послідовний і паралельний.
В послідовному АЦП вхідна напруга послідовно порівнюється одним єдиним компаратором з декількома еталонними рівнями напруги, і в залежності від результатів цього порівняння формується вихідний код. Найбільше поширення набули АЦП на основі так званого регістра послідовних наближень (малюнок 27.15).

Малюнок 27.15. АЦП послідовного типу.
Вхідна напруга подається на вхід компаратора, на інший вхід якого подається еталонна напруга, що східчасто змінюється в часі. Вихідний сигнал компаратора подається на вхід регістра послідовних наближень, тактованого зовнішнім тактовим сигналом. Вихідний код регістра послідовних наближень поступає на ЦАП, яке з опорної напруги формує змінну еталонну напругу.
Регістр послідовних наближень працює так, що залежно від результату попереднього порівняння вибирається наступний рівень еталонної напруги по наступному алгоритму:
- В першому такті вхідний сигнал порівнюється з половиною опорної напруги.
- Якщо вхідний сигнал менше половини опорної напруги, то на наступному такті він порівнюється з четвертю опорної напруги (тобто половина опорної напруги зменшується на четверть). Одночасно в регістр послідовних наближень записується старший розряд вихідного коду, рівний нулю.
- Якщо ж вхідний сигнал більше половини опорної напруги, то на другому такті він порівнюється з 3/4 опорної напруги (тобто половина збільшується на четверть). Одночасно в регістр послідовних наближень записується старший розряд вихідного коду, рівний одиниці.
- Потім ця послідовність порівнянь повторюється потрібне число раз із зменшенням на кожному такті удвічі ступені зміни еталонної напруги (на третьому такті - 1/8 опорної напруги, на четвертому - 1/16 і т.д.). В результаті опорна напруга в кожному такті наближається до вхідної напруги. Всього перетворення займає п тактів. В останньому такті обчислюється молодший розряд
Зрозуміло, що цей процес досить повільний, вимагає декількох тактів, причому протягом кожного такту повинні встигнути спрацювати компаратор, регістр послідовних наближень і ЦАП з виходом по напрузі. Тому послідовні АЦП досить повільні, мають порівняно великий час перетворення і малу частоту перетворення.
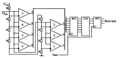
Другий тип АЦП, АЦП паралельного типу, працює за більш простим принципом. Всі розряди вихідного коду обчислюються в них одночасно (паралельно), тому вони набагато швидші, ніж послідовні АЦП. Правда, вони вимагають вживання великої кількості компараторів (2П - 1), що викликає чисто технологічні труднощі при великій кількості розрядів (наприклад, при 12-розрядному АЦП потрібні 4095 компараторів).
Схема такого АЦП (малюнок 27.16) включає резистивный дільник з 2П однакових резисторів, який ділить опорну напругу на (2П- 1) рівнів.
Вхідна напруга порівнюється за допомогою компараторів з рівнями, формованими дільником напруги. Вихідні сигнали компараторів за допомогою шифратора перетворяться в n-розрядний двійковий код. Шифратор видає на вихід номер останнього з компараторів, що спрацювали (тобто тих що видали сигнал логічної одиниці). Наприклад, у разі 3-розрядного АЦП (на малюнку) при величині вхідної напруги від 0 до 1/8 опорної напруги вихідний код буде 000, при вхідній напрузі від 1/8 до 2/8 опорної напруги спрацює перший компаратор, що дасть вихідний код 001, при вхідній напрузі від 2/8 до 3/8 опорної напруги спрацюють компаратори 1 і 2, що дасть вихідний код 010, і т.д. Процес перетворення відбувається в паралельному АЦП дуже швидко, тому частота перетворення може досягати сотень мегагерц.
Для підвищення швидкодії в паралельному АЦП іноді застосовується конвейєрний принцип: вихідний код компараторів записується в (2П -1) -розрядний паралельний регістр, показаний на малюнку 27.16. Вихідний код шифратора також записується в n-разрядный паралельний регістр. Обидва регістри в цьому випадку тактуються одним і тим же тактовим сигналом. Це знижує вимоги до швидкодії компараторів і шифратора. Правда, вихідний код АЦП затримується через такі регістри на два періоди такої частоти.

Малюнок 27.16. 3-розрядний АЦП паралельного типу.
Громіздкість структури паралельного АЦП призводить до того, що в деяких АЦП застосовується змішаний паралельно-послідовний принцип. Це дещо знижує швидкодію подібного АЦП в порівнянні із звичайним паралельним АЦП, та зате дозволяє одержати велике число розрядів, не збільшуючи кількість компараторів до 2п-1.
Для того, щоб АЦП будь-якого типу працював з використанням всіх своїх можливостей, необхідно забезпечити узгодження діапазону зміни вхідного аналогового сигналу з допустимим діапазоном (динамічним діапазоном) вхідної напруги АЦП.

Малюнок 27.17. Співвідношення вхідного сигналу і динамічного діапазону АЦП.
На малюнку 27.17 показано чотири можливі випадки співвідношення динамічного діапазону АЦП (від 0 до Uref або від Uref1 до Uref2) і вхідного сигналу. У випадках а і б вхідний сигнал менше динамічного діапазону, тому АЦП працюватиме правильно, але не використовуватиме всіх своїх можливостей. У випадку в вхідний сигнал дуже великий, тому частина його значень не буде перетворена. Тільки у разі г АЦП дійсно працювати як n-розрядний і перетворюватиме всі значення вхідного сигналу. Для узгодження вхідного сигналу з динамічним діапазоном АЦП можна застосовувати підсилювачі, аттенюатори, схеми зсуву. В деяких випадках узгодження може бути досягнуте простим вибором величин опорних напруг.
Іноді необхідно зменшити кількість розрядів АЦП. В цьому випадку потрібна кількість молодших розрядів вихідного коду мікросхеми просто не використовується. На малюнку 27.18 показано використовування 10-розрядного АЦП як 8-розрядного.

Малюнок 27.18. Зменшення кількості розрядів вихідного коду АЦП.
Зворотна задача - збільшення розрядності АЦП - зустрічається частіше. Існує ряд типових рішень схемотехнік по об'єднанню декількох мікросхем АЦП для збільшення кількості розрядів вихідного коду, але більшість цих рішень вимагає складних розрахунків результуючих погрішностей перетворення і вживання аналогових вузлів. Ми не будемо їх тут розглядати. Відзначимо тільки, що при виникненні задачі збільшення розрядності треба перш за все спробувати знайти мікросхему з потрібною кількістю розрядів і тільки потім розглядати можливості об'єднання декількох мікросхем АЦП.
Розглянемо декілька типових схем включення АЦП, що використовуються в аналого-цифрових системах.

Малюнок 27.19. Фіксатор перевищення вхідним сигналом встановленого порогу
Перша схема (малюнок 27.19) призначена для фіксації моменту перевищення вхідним аналоговим сигналом заданої порогової напруги. Схема виробляє вихідний сигнал (позитивний фронт) тоді, коли вхідний аналоговий сигнал стає більше встановленого рівня, причому цей рівень задається цифровим кодом порогу. Код порогу порівнюється з вихідними кодами АЦП за допомогою мікросхеми компаратора кодів. Вихідний сигнал компаратора кодів записується в трігер по сигналу RDY з АЦП, що дозволяє виключити вплив коротких імпульсів, що виникають на виході компаратора у момент зміни вхідних кодів. Вживання цього трігера затримує вихідний сигнал на один такт.
Може здатися, що вживання АЦП в даному випадку не виправдано, надмірно. Але треба враховувати, що в аналого-цифрових системах АЦП, перетворюючий вхідний сигнал в послідовність кодів, як правило, вже є, тому додаткового АЦП не потрібно, достатньо тільки включити компаратор кодів і трігер.
АЦП також застосовується в схемах обчислення амплітуди вхідного аналогового сигналу Для такого обчислення можна використовувати вже розглянуту схему обчислювача екстремального значення вхідного коду. Як джерело послідовності вхідних кодів в даному випадку виступає АЦП (малюнок 27.20).

Малюнок 27.20. Обчислювач амплітуди аналогового сигналу
В регістр з входом дозволу запису записується код з виходу АЦП по сигналу RDY в тому випадку, якщо поточне значення коду більше значення коду, записаного раніше в регістр. В результаті вже після одного періоду вхідного сигналу в регістрі буде код амплітуди вхідного сигналу. За період перетворення АЦП повинні встигнути спрацювати компаратор кодів і регістр.
Якщо такий обчислювач амплітуди вхідного сигналу використовується у складі складної аналого-цифрової системі, в якій вже присутній АЦП, безперервно перетворюючий вхідний сигнал в коди, то додатково потрібні тільки цифрові мікросхеми: компаратор кодів і регістр.
Використовування АЦП, що часто зустрічається, - це перетворення вхідного сигналу в потік кодів, причому коди ці звичайно записуються в буферну пам'ять. В даному випадку самим відповідним є однонаправлений буфер з періодичним режимом роботи. Тобто спочатку в буферну пам'ять заноситься масив кодів вибірок вхідного сигналу, а потім цей масив читається для подальшої обробки Саме так наприклад, будується цифровий осцилограф, призначений для спостереження аналогових сигналів на екрані.
Схема включення АЦП в цьому випадку показана на малюнку 27.21. Як строб запису в буферну пам'ять використовується сигнал RDY з АЦП. Докладніше організацію буфера ми вже розглядали в попередньому розділі.
Звичайно, в реальних аналого-цифрових пристроях все набагато складніше, в них потрібні схеми синхронізації процесу запису з вхідним сигналом, схеми попередньої обробки аналогового сигналу, але суть залишається тією ж - буферна пам'ять, записуюча послідовність кодів з виходу АЦП. Чим більше об'єм пам'яті, тим більший фрагмент вхідного аналогового сигналу вона може запам'ятати. Наприклад, якщо пам'ять має організацію 64К X 8 і працює з 8-розрядним АЦП, то при частоті перетворення АЦП 10 Мгц буфер зможе берегти в собі фрагмент аналогового сигналу тривалістю 6,5536 мс.
Нарешті, остання схема, яку ми розглянемо (малюнок 27.22), дозволяє удвічі підвищити швидкодію АЦП, точніше, підняти удвічі частоту запису кодів вибірок вхідного сигналу в буферну пам'ять.

Малюнок 27.21. Включення буферної пам'яті для запам'ятовування кодів з виходів АЦП.

Малюнок 27.22. Збільшення удвічі частоти перетворення вхідного сигналу за допомогою двох АЦП з буферами.
Ідея схеми дуже проста: використовується два АЦП і два буфери, які працюють по черзі, наприклад, парні вибірки вхідного сигналу обробляє один АЦП з своїм буфером, а непарні - інший АЦП з своїм буфером. В результаті запам'ятовування кодів вхідного сигналу здійснюється з частотою удвічі більше частоти перетворення кожного з АЦП. Наприклад, якщо кожний АЦП і кожний буфер працюють з частотою 10 Мгц, то результуюча частота перетворення складе 20 Мгц.
Тактові сигнали АЦП і сигнали RDY на виходах АЦП повинні бути зсунуті один щодо іншого на половину періоду тактового сигналу. Читання зареєстрованих кодів з обох буферів також повинне бути організовано по черзі: перший код читається з першого буфера, другий - з другого, третій - знову з першого, четвертий - з другого і т.д. Об'єм обох буферів в даному випадку складається. Наприклад, при організації кожного буфера 64К X 8 результуючий буфер матиме організацію 128К X 8.
Користуючись цим же принципом, можна підвищити частоту обробки вхідного сигналу за допомогою АЦП не тільки удвічі, але і втричі, в чотири рази і т.д. Необхідно тільки погодити в часі роботу відповідно трьох, чотирьох і т.д. АЦП, у кожного з яких повинна бути своя буферна пам'ять.
Крім згаданих тут АЦП послідовно і паралельного типів існують ще і АЦП з проміжним перетворенням. В них вхідний аналоговий сигнал за допомогою аналогового інтегратора перетвориться в часовий інтервал між цифровими імпульсами або в частоту проходження цифрових імпульсів. Вихідний цифровий код, відповідний вхідному аналоговому сигналу формується в результаті вимірювання тривалості тимчасового інтервалу або частоти проходження імпульсів (малюнок 27.23). Якщо використовується вихідна частота, то такий АЦП називається «перетворювачем напруга- частота» (ПНЧ).

Малюнок 27.23. АЦП з проміжним перетворенням.
Такий підхід дозволяє за допомогою порівняно простих апаратних засобів одержати високу точність перетворення, не залежну від багатьох параметрів компонентів, що використовуються, і від характеристик навколишнього середовища.
В кінці треба ще раз відзначити, що приведені тут схеми сильно спрощені, для їх практичної реалізації необхідне знання не тільки цифрової схемотехніки, але і аналогової і аналого-цифрової схемотехніки, а також знання особливостей конкретних мікросхем ЦАП і АЦП. Проте розглянуті тут ключові принципи використовування ЦАП і АЦП і їх сумісного включення з цифровими схемами будуть корисні будь-якому розробнику.

попередня тема наступна тема |